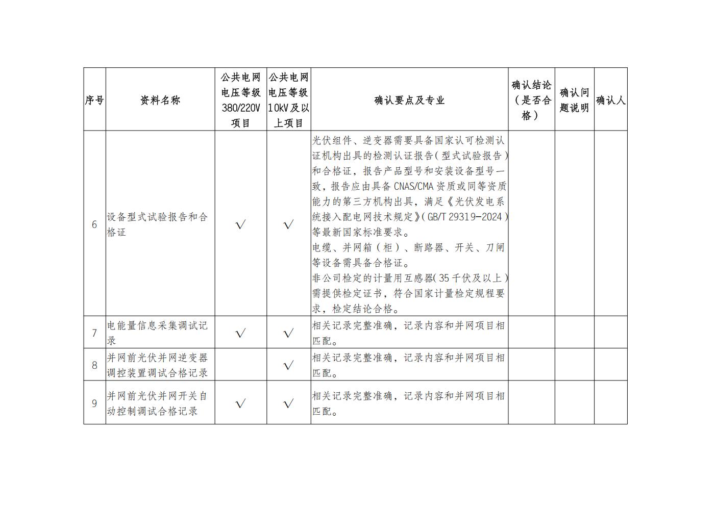
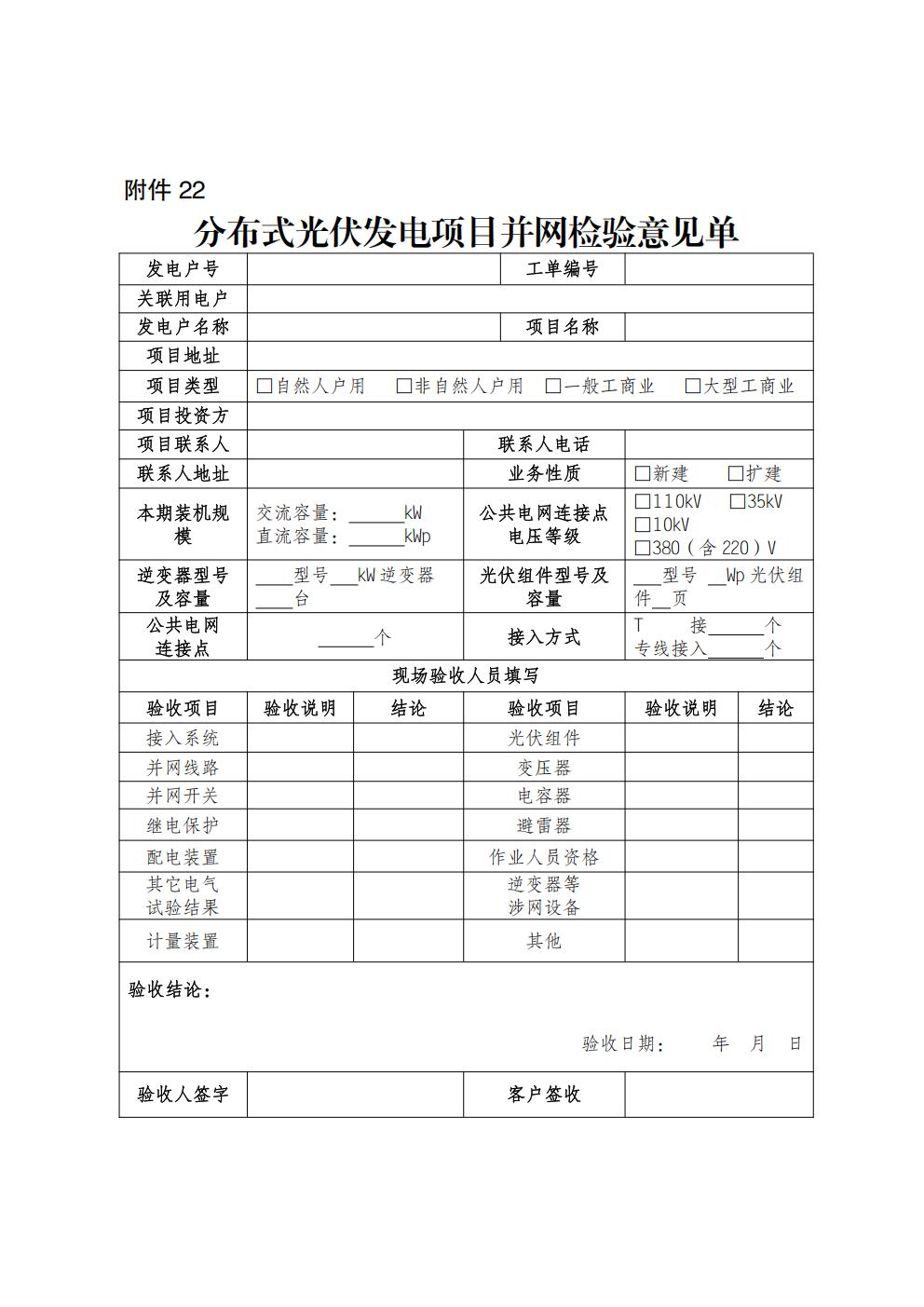
9月25日,国网山东省电力公司发布《分布式光伏并网服务工作指引(试行)》(鲁电营销〔2025〕381号),本工作指引适用于公司经营区内分布式光伏接入电网承载力评估与可开放容量信息发布,以及项目备案管理、并网意向受理及回复、现场勘查、接入系统设计报告受理及回复、接网工程建设、合同协议签订、并网检验、档案管理、耗用电量建档立户、电费结算与补贴转付、变更业务管理等分布式光伏项目全过程服务工作。
分布式光伏发电上网模式包括全额上网、全部自发自用、自发自用余电上网三种。其中:自然人户用、非自然人户用分布式光伏可选择全额上网、全部自发自用或者自发自用余电上网模式。
一般工商业、大型工商业分布式光伏可选择全部自发自用模式,也可采用自发自用余电上网模式。采用自发自用余电上网的,年自发自用电量占发电量的比例不低于50%,上网电量全部参与电力现货市场。
涉及自发自用的,用户和分布式光伏发电项目应位于同一用地红线范围内。
针对自发自用余电上网模式的一般工商业和大型工商业分布式光伏项目,省营销服务中心按月统计年自发自用电量低于50%的项目明细。
大型工商业分布式光伏的电力用户负荷发生较大变化时,可将项目调整为集中式光伏电站,具体调整办法按《山东省分布式光伏发电开发建设管理实施细则》(鲁发改能源〔2025〕433号)等有关规定执行。农光互补、渔光互补以及小型地面电站光伏发电项目归于集中式光伏电站管理。用户与公共电网连接点电压等级为220千伏时,可以利用其建筑物及其附属场所建设集中式光伏电站。
市县公司与分布式光伏发电项目开展电费结算前必须签订购售电合同,未签订购售电合同的,不得进行电费结算。分布式光伏发电按自然月抄表,抄表例日为每月1日,抄表数据为月末最后一天 24 时电能表冻结数据。抄表周期和抄表例日不允许变更。参与市场化交易的应按照市场规则要求开展抄表结算。
详情如下:









































































发表评论